0

Your Cart is Empty

Taylor T-500, 500CB & T-750 148 CFM Blower For Outdoor Wood Boiler (#12355)

Product Description

Compatible with Taylor T-500, 500CB & T-750. Shaded Pole Blower, Air Flow @ 0.000 Inch Static Pressure 148 CFM, RPM 3100 , Voltage Rating 115 Volts, Current Rating 1.37 Amps, Frequency 60/50 Hertz, Thermal Protection Auto

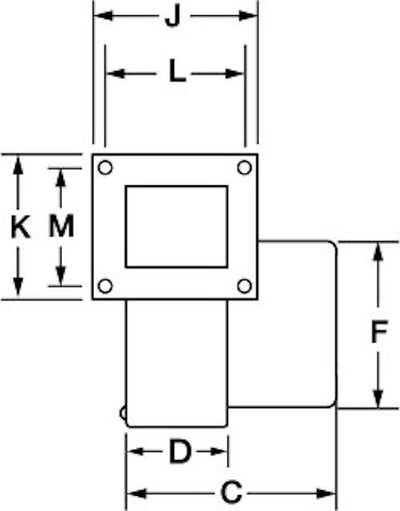
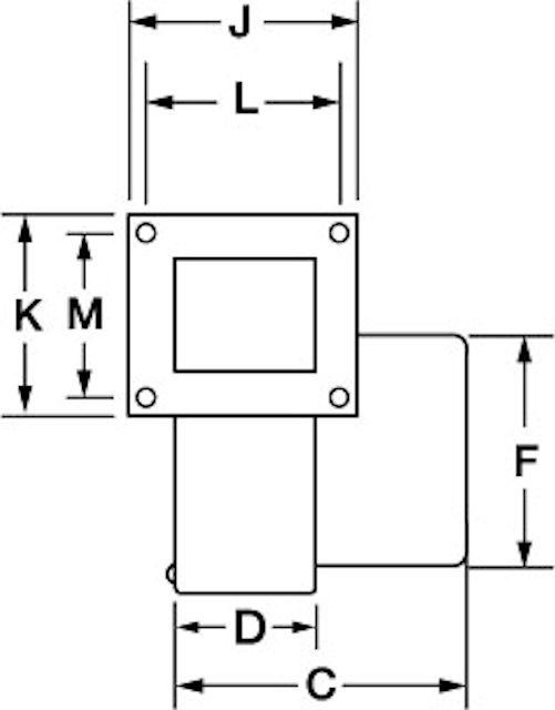
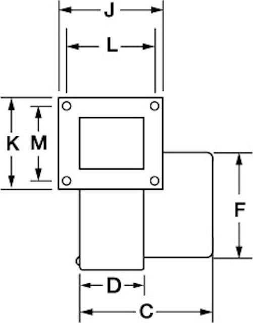
For a diagram for the dimensions below please click to pictures 2 and 3 above.
Wheel Diameter (In.)3 13/16
Wheel Width (In.)2 1/2
Inlet Diameter (In.)3 1/8
Outlet Height (In.)2-3/16
Outlet Width (In.)3-1/4
Dimension A (In.)5-3/8
Dimension B (In.)6-3/8
Dimension C (In.)6-5/16
Dimension D (In.)3-5/16
Dimension E (In.)5-3/4
Dimension F (In.)3-5/16
Dimension J (In.)4-5/8
Dimension K (In.)3-1/2
Dimension L (In.)4
Dimension M (In.)2-7/8