0

Your Cart is Empty

Johnson 148 CFM Blower For Outdoor Wood Boiler ( #12355)

Product Description

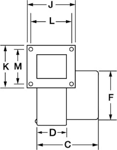
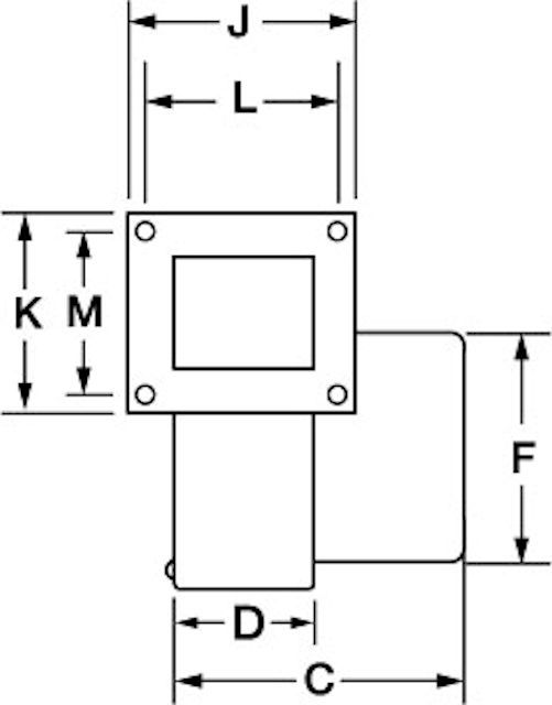
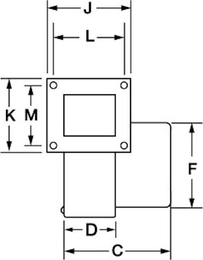
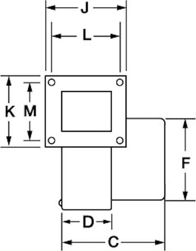
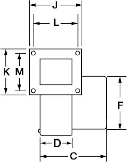
Compatible with 4C446 or 1TDP7. Taylor 500CB & T-750. Shaded Pole Blower, Air Flow @ 0.000 Inch Static Pressure 148 CFM, RPM 3100 , Voltage Rating 115 Volts, Current Rating 1.37 Amps, Frequency 60/50 Hertz, Thermal Protection Auto For a diagram for the dimensions below please click to pictures 2 and 3 above. Wheel Diameter (In.)3 13/16 Wheel Width (In.)2 1/2 Inlet Diameter (In.)3 1/8 Outlet Height (In.)2-3/16 Outlet Width (In.)3-1/4 Dimension A (In.)5-3/8 Dimension B (In.)6-3/8 Dimension C (In.)6-5/16 Dimension D (In.)3-5/16 Dimension E (In.)5-3/4 Dimension F (In.)3-5/16 Dimension J (In.)4-5/8 Dimension K (In.)3-1/2 Dimension L (In.)4 Dimension M (In.)2-7/8